PROJETOS
Projeto e Modelamento 3D
Projetos em 3D de layout industriais, equipamentos e proteções.

Projetos e Verificações Estruturais (NR18/NR35)
Projeto, detalhamento, lista de materiais, relatórios fotográficos, memorial de cálculos e emissão de ART.

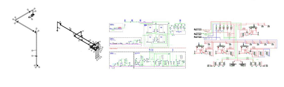
Fluxogramas e Isométricos
Projeto, detalhamento, lista de materiais, de fluxogramas de processos e isométricos.

Linha de Vida / Trava Quedas
Projeto,detalhamento, lista de materiais, e especificação de linhas de vida e sistemas de trava quedas com fornecimento
de memorial de cálculo e ART

Automação do Sistema de Alarme de Emergência e Combate a Incêndio
Projeto conceitual e detalhamento de funcionamento;
• Projeto elétrico, Arquitetura de automação;
• Programação CLP e IHM de supervisão;
• Coordenação de montagem;
• Comissionamento e Startup;
• Teste funcional e certificação da rede de comunicação.

Migração de sistema de automação
Troca do Sistema de Controle de PLC/Scada para DCS:
• Projeto realizado em parceria com a Yokogawa do Brasil
• Levantamento da Arquitetura de automação
• Documentação
e definições de pontos de I/O
• Suporte na interpretação de lógicas
• Configurações e detalhamento de telas
• Comissionamento e Startup
• Acompanhamento operacional e assistência
Videos e Apresentação

Connect Soluções Industriais © Todos os direitos reservados | Criarte - Criação de Sites